1
/
of
1
toro mud buggy parts
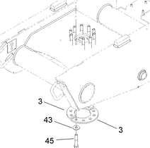
AU495-81163 - Reference Number 43 - Washer
AU495-81163 - Reference Number 43 - Washer
Regular price
$0.40 USD
Regular price
Sale price
$0.40 USD
Unit price
/
per
Shipping calculated at checkout.
Couldn't load pickup availability
Part Number AU495-81163 - washer
Share
